Заява аб прыватнасці: Ваша прыватнасць для нас вельмі важная. Наша кампанія абяцае не раскрываць вашу асабістую інфармацыю любой экспазіцыі з вашымі відавочнымі дазволамі.
мадэль №: AHY-P5
марка: А-ОК
The file is encrypted. Please fill in the following information to continue accessing it
Гэтая спружынная дзвярная завеса з нержавеючай сталі створана для дзвярэй, якія патрабуюць акуратнага «аўтаматычнага вяртання» без дадання вонкавага даводчыка. Унутраная спружына дапамагае дзвярам плаўна рухацца назад пасля адкрыцця, падтрымліваючы ўваход у парадак і паляпшаючы паўсядзённы кантроль доступу.
Цвёрды ствол і шырокія створкі забяспечваюць стабільнае выраўноўванне, а мацаванне з некалькімі адтулінамі дапамагае мантажнікам дасягнуць надзейнага мацавання на звычайных дзвярах і рамах. Сацінавы выгляд металу падыходзіць для сучасных пакетаў архітэктурнага абсталявання для праектаў і замен.
Ідэальна падыходзіць для ўваходных дзвярэй і міжпакаёвых дзвярэй з вялікай колькасцю наведвальнікаў у офісах, грамадскіх месцах і падрадчыкаў, дзе патрабуецца паслядоўнае зачыненне і чыстая прэзентацыя фурнітуры.


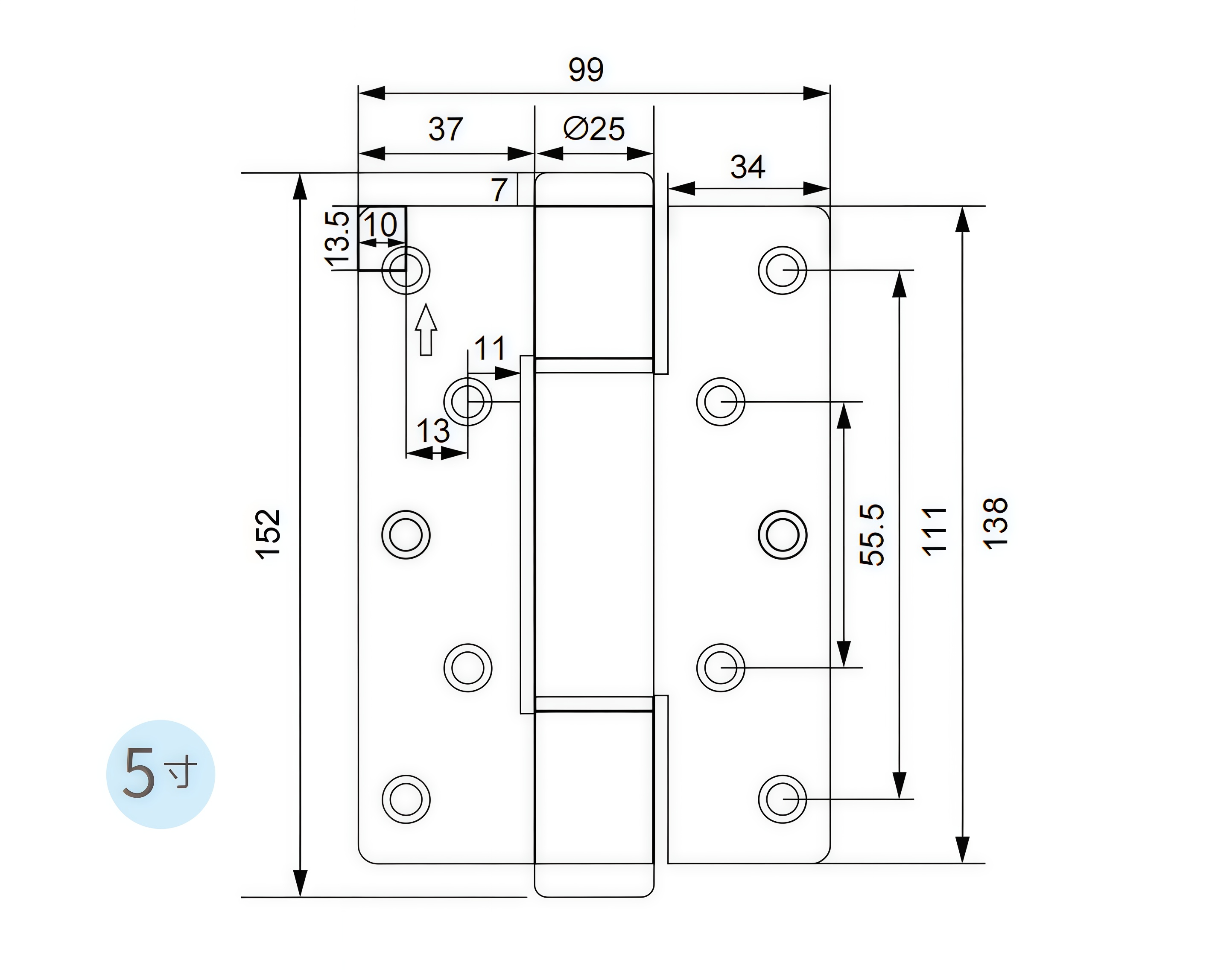
Агульны рост: 152
Адкрытая шырыня (агульная): 99
Шырыня створкі (злева / справа): 37 / 34
Дыяметр ствала: Ø25
Вертыкальныя апорныя лініі: 138 / 111
Спасылка на адлегласць паміж цэнтрамі адтулін: 55,5
Арыенты размяшчэння адтулін: 23,5 / 13,5 / 10
Калі ласка, прытрымлівайцеся чарцяжа для свідравання і выраўноўвання на вашым дзвярным профілі.
Заява аб прыватнасці: Ваша прыватнасць для нас вельмі важная. Наша кампанія абяцае не раскрываць вашу асабістую інфармацыю любой экспазіцыі з вашымі відавочнымі дазволамі.
Запоўніце дадатковую інфармацыю, каб хутчэй звязацца з вамі
Заява аб прыватнасці: Ваша прыватнасць для нас вельмі важная. Наша кампанія абяцае не раскрываць вашу асабістую інфармацыю любой экспазіцыі з вашымі відавочнымі дазволамі.